一、产品信息
细胞名称 | NCI-N87人胃癌细胞 | 产品货号 | IPDB-0013 |
种属来源 | 人 | 组织来源 | 肾 |
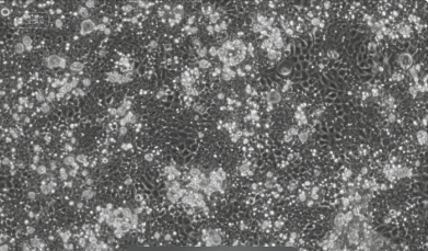
生长特性 | 贴壁生长 | 细胞形态 | 见图1 |
细胞完培 | 1640+10%FBS+1%P/S | ||
培养环境 | 37℃,5%CO2,饱和湿度 | ||
特别说明 | 仅供科学研究使用,请在生物安全柜中操作,并做好个人防护 | ||

二、细胞培养操作
1、T25瓶形式
(1)收到T25瓶细胞货物后,打开外包装,取出T25瓶细胞;
(2)使用75%酒精对T25瓶外表面进行喷雾消毒处理,擦拭干净后,放置细胞培养箱,静置2小时以上;
(3)取出T25瓶,在倒置显微镜下观察细胞状态,并拍照记录,100倍,1张清晰照片即可;
(4)若细胞正常贴壁且细胞密度低于80%时,在生物安全柜中,进行细胞换液处理,即将T25瓶中培养上清全部丢弃,加入5mL细胞完培,然后放置细胞培养箱中培养;
(5)若细胞正常贴壁且细胞密度高于80%时,在生物安全柜中,进行细胞传代处理,详见“细胞传代”操作,将传代后的2个T25瓶放置细胞培养箱中培养;
(6)若细胞出现漂浮,在生物安全柜中,请将T25瓶中漂浮的细胞及瓶底细胞全部收集到50mL离心管中,离心收集细胞沉淀,加入1mL胰酶溶液消化细胞沉淀,再加入2mL细胞完培终止消化,离心收集细胞后,加入1mL细胞完培重悬,将细胞悬液重新接种到T25瓶中。
2、 冻存管形式
(1)收到冻存管货物后,打开外包装,取出细胞冻存管,如暂时不用,请立即放置-80℃冰箱或液氮罐中暂存,建议暂存时间不要超过3天;
(2)取出细胞冻存管,立即进行细胞复苏,详见“细胞复苏”操作,1支冻存管建议接种到1个T25瓶中,另1支细胞冻存管备用。
三、质量控制
细菌检测 | 培养法,阴性 | 真菌检测 | 培养法,阴性 |
支原体检测 | PCR法,阴性 | STR鉴定 | 细胞STR鉴定报告 |
四、细胞培养
1、细胞复苏
(1)提前15分钟打开水浴锅设备,设置温度为37℃;
(2)从-80℃冰箱或液氮罐中取出1支细胞冻存管;
(3)将冻存管立即放置在水浴中,不断摇晃冻存管,使其在2分钟内解冻;
(4)在生物安全柜中,将冻存管中细胞悬液转移到15mL离心管中,加入4mL细胞完培;
(5)配平,室温离心,1000rpm离心5分钟;
(6)在生物安全柜中,弃去上清液,加入1mL细胞完培重悬细胞沉淀,将细胞悬液全部转移到T25瓶中,补加4mL细胞完培;
(7)将T25瓶放置细胞培养箱中培养;
(8)第二天在倒置显微镜下观察细胞状态,并更换新鲜细胞完培。
2、细胞传代
(1)当T25瓶细胞密度达到80%以上时,在生物安全柜中,弃去培养上清;
(2)加入2mL PBS润洗细胞,弃去PBS;
(3)加入2mL胰酶溶液(0.25%Trypsin-0.02%EDTA)浸润细胞,放置细胞培养箱处理1~3分钟,待细胞从瓶皿完全脱落后,加入3mL细胞完培终止消化,将细胞悬液转移到15mL离心管中;
(4)配平,室温离心,1000rpm离心5分钟;
(5)在生物安全柜中,弃去上清液,加入1mL细胞完培重悬细胞沉淀,将细胞悬液平均分装到2个新的T25瓶中,每个T25瓶分别补加4mL细胞完培,混合均匀;
(7)将T25瓶放置细胞培养箱中培养。
3、细胞冻存
(1)当T25瓶细胞密度达到80%以上时,在生物安全柜中,弃去培养上清;
(2)加入2mL PBS润洗细胞,弃去PBS;
(3)加入2mL胰酶溶液(0.25%Trypsin-0.02%EDTA)浸润细胞,放置细胞培养箱处理1~3分钟,待细胞从瓶皿完全脱落后,加入3mL细胞完培终止消化,吹打均匀后,取50uL细胞悬液进行计数,剩余细胞悬液转移到15mL离心管中;
(4)配平,室温离心,1000rpm离心5分钟;
(5)在生物安全柜中,弃去上清液,根据细胞数量加入适量细胞冻存液重悬细胞沉淀,细胞冻存密度为1×10E6~5×10E6/mL,每支冻存管冻存1mL细胞悬液,在冻存管壁做好标识;
(6)将冻存管放入-80℃冰箱,24小时后转入液氮罐中长期储存。
五、售后服务
重发标准 | (1)细胞运输问题,如细胞丢失、瓶身破损、培养瓶严重漏液,冻存管内容物已融化; |
不予重发 | (1)收到细胞时间超过7天以上的; |
×